氣浮(壓)式萬向滾珠 ( 有進一步需求,點一下 )
結構 : 本產品 結合氣缸+萬向滾珠
優點 : a)人工操作便利(省力)
例: 工件重 500kg ,上浮時,人員拉動約 15kg 即可
b)元件結成簡單,不需加潤滑油
c)使用空氣壓力+手動閥即 可操作
另外特點:
本公司是設備廠商可訂製其他規格的產品
也可替 客戶,量身訂製設備
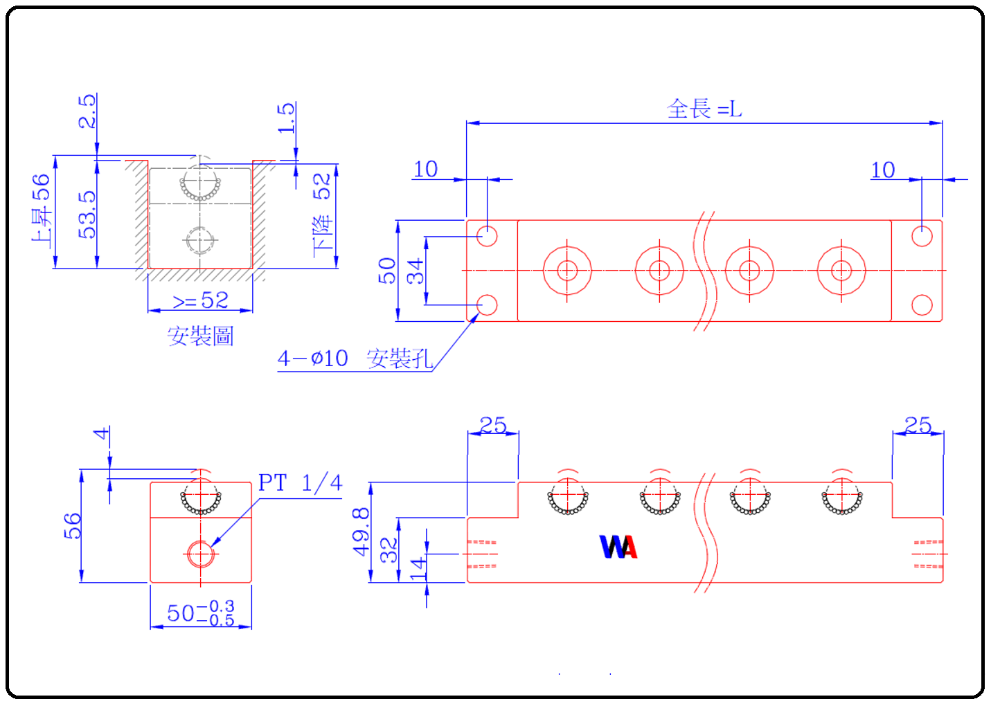
產品外形尺寸圖: 產品規格:

應用說明 : ( 有進一步需求,點一下 )

氣浮(壓)式萬向滾珠 ( 有進一步需求,點一下 )結構 : 本產品 結合氣缸+萬向滾珠
優點 : a)人工操作便利(省力)
例: 工件重 500kg ,上浮時,人員拉動約 15kg 即可
b)元件結成簡單,不需加潤滑油
c)使用空氣壓力+手動閥即 可操作
另外特點:
本公司是設備廠商可訂製其他規格的產品
也可替 客戶,量身訂製設備
產品外形尺寸圖: 產品規格:

應用說明 : ( 有進一步需求,點一下 )
